Ref: FG601S-W3 - FG601S-W3 - Bomba Peristáltica à Prova de Explosão
Descrição
Fluxo: 1800~13000 mL/min
Máx.: 2 canais
Características
• Motor à prova de explosão de grau industrial (ExdIIBT4), com cabeçote de bomba especial, seguro e confiável.
• Design integral, não requer inversor de frequência, com funções como início-parada e ajuste manual de velocidade.
• Durante a operação, a velocidade pode ser ajustada a qualquer momento através da roda manual.
• Adequado para cabeçote de bomba de alto fluxo.
• IP55, pode se adaptar a ambientes de trabalho mais complexos.
Observação: A carcaça de proteção pode ser instalada.
Especificações
Cabeçote de bomba: YZ35
Faixa de fluxo: 1800~13000 mL/min
Faixa de velocidade: 135~600 rpm
Resolução da roda manual: 0,2 rpm (Girar a roda manual ajusta 25 rpm)
Ajuste de velocidade: Ajuste manual contínuo (stepless)
Função de controle: Função de regulação manual de velocidade
Fonte de alimentação: 3 fases 380V 50Hz
Consumo de energia: 400W
Ambiente: Temperatura 0~40℃, umidade relativa <80%
Grau à prova de explosão: ExdIIBT4
Grau IP: IP55 (motor)
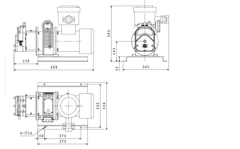
Dimensões (C×L×A): 600×345×393 mm
Peso: 36,5 kg
Cabeçote de Bomba, Tubo e Vazão Aplicáveis
| Tipo de Drive | Cabeçote | Canal | Tubo | Vazão por Canal (mL/min) |
|---|---|---|---|---|
| FG601S-W3 | YZ35 | 1~2 | 73# 82# | 1800~13000 |
Os parâmetros de fluxo acima são obtidos usando tubo de silicone para transferir água pura sob temperatura e pressão normais; na prática, são afetados por fatores específicos como pressão, meio etc. Acima apenas para referência.
Dimensão (mm)
